燃料パーティクルカウンタACM30
燃料汚染によるエンジン
トラブルを事前に防ぐ
- ISO4406
- IP564
燃料汚染によるエンジン
トラブルを事前に防ぐ
燃料内に存在するバクテリアやコンタミは機材故障の原因となるため、航空機用JET-A1燃料の国際管理基準、IP564が設定されました。多くの国内製油所では基準値を測定・品質管理をし、安全な燃料油を出荷しています。

油中のコンタミ(夾雑物)の大きさと個数を測定し、国際規格で定められている汚染度等級(ISO等)を判定します。トラブル低減・品質の向上など多くの目的で使用されています。A1燃料のIP564の指定機器にもなっている事実が証明するように、ワールドワイドな品質管理には欠かせないツールです。



| 標準 | フラッシュ時 | |
|---|---|---|
| 流量 | 25 - 28ml/min | 100ml/min |
| サイズ | 流量(ℓ/毎分) | 接続 | 重量(kg) |
|---|---|---|---|
| 0 | 12 ~ 25 | G3/8 | 0.5 |
| 1 | 40 ~ 100 | G3/4 | 1.5 |
| 2 | 160 ~ 380 | G1 1/4 | 4.4 |
サンプル中の粒子数を>4,>6,>14µmという各微粒子の粒径範囲に区分し、1ml中の粒子数から割り当てられるスケール番号(0 ~ 28)を斜線(/)によって3桁に区分表示します。




| 測定原理 | 光遮蔽式自動粒子計数法(光源:レーザー) |
|---|---|
| 適用油種 | 軽油・灯油・白灯油(ケロシン) ※その他はお問い合せください。 |
| 測定規格 | ISO4406(0~22級) ※その他はお問合せください。 |
| Energy Institute Test Method |
(ACM30 only) IP564 determination of the level of cleanliness of aviation turbine fuel |
| 測定粒径範囲 | MTD校正:>4、>6、>14、>21、>25、>30 各μm(c) |
| 校正方法 | ISO11943(ISO11171標準器を使用)、ISO21018-4 |
| 校正精度 | 5%以内(MTD:4、6、14μm) ISO11943:Section9準拠 |
| 校正周期 | 1回/年 |
| サンプル温度範囲 | +5℃ ~ +80℃ |
| 使用環境温度範囲 | +5℃ ~ +40℃ |
| 最高使用圧力 | 42MPa |
| 測定時間 | 約90秒/1テスト <6 minutes for IP564 test |
| ストレージ容量 | 1000テスト |
| 測定モード | シングル測定、マルチ測定、IP564測定 |
| 圧力条件 | 0.2MPa以上(各サンプラーの仕様を参照) |
| プリンタ | 内蔵サーマルプリンタ |
| 外部出力ポート | RS232(USB-Bポート) |
| 電源 | 専用ACアダプタ(100V)・充電式バッテリ(オプション) |
| シール材質 | 鉱油・合成油用:Viton(フッ素ゴム) |
| 油圧接続ポート | M16x2 メス |
| IPレーティング | IP54 |
| LCM30筐体材質 | ABS(塗装:ポリウレタン) |
| LCM30接液部材質 | ナイロン・真鍮・バイトン・ガラス・SUS・POM・軟鋼 |
| 重量 | 約7.5kg |


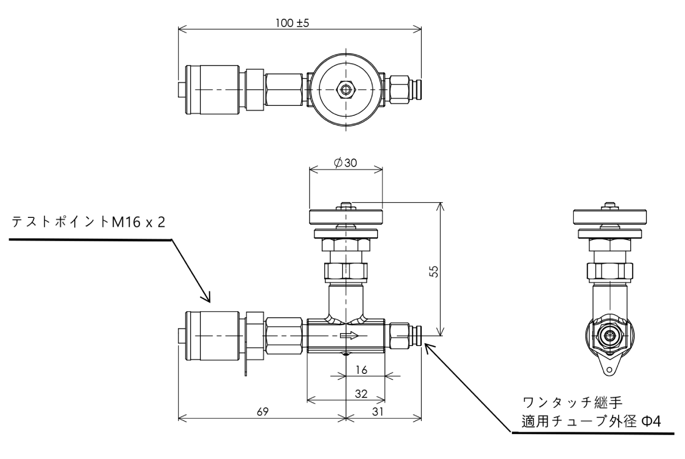
インラインサンプラーが
使用出来ない場所で活躍
※ポンプユニットとの接続を外し、延長ホースを介しオンラインで接続出来ます。
流量が安定しない場合や粘度が高い油を測定する場合にパーティクルカウンタのOUT側に取り付けて使用します

| 圧力範囲 | 0.2 ~ 1MPa ※高圧用(~42MPa)はお問い合わせください |
|---|---|
| 粘度範囲 | 2 ~ 320cSt |
| 最高使用温度 | 5 ~ 80℃ |
| 接続 | M16ミニメス |
| 適用ホース外径 | φ4mm |



チェックバルブ内蔵で
着脱工具も不要


| 材質(継手部分) | 鉄(合金鋼) |
|---|---|
| 材質(ホース部分) | ナイロン樹脂(内管)ウレタン樹脂(外管) |
| ホース最小曲げ半径 | 20mm |
| ホース外形x内径 | 約5mmx約2mm |
| 使用温度範囲 | -20 ~ +100℃ |
| 最高使用圧力 | 35MPa |
| ホース長 | 1m / 2m |


| 材質 | 鉄(合金鋼) |
|---|---|
| シール材 | ふっ素ゴム(バイトン):内部管路接液部Oリング ニトリルゴム:継ぎ手部Gねじ用シール、キャップ部Oリング |
| 使用温度範囲 | -20℃ ~ +100℃ |
| 最高使用圧力 | 35MPa |
| ねじサイズ | G1/8 ・ G1/4 |

お気軽にご相談ください